Kombomoodul on mõeldud väliste seadmete ühendamiseks Robootika Kodulabori komplektiga. Ühendatavad välised seadmed on tinglikult jaotatud kolme gruppi: andurid, mootorid ja kommunikatsiooniliidesed. Igale seadme grupil on oma ühenduspistikute komplekt, mis on moodulil üksteisest eraldatud. Näiteks asuvad andurite ühenduspistikud mooduli paremas osas, mootorite pistikud vasakus osas ja kommunikatsiooniliidese pistikud mooduli peal. Andurite ja kommunikatsiooniliideste pistikud on ühendatud otse kontrolleri vastavate signaaliviikudega, kuid mootorite pistikud on ühendatud kontrolleri viikudega läbi juhtajurite ehk draiverite. See võimaldab Kombomooduliga juhtida oluliselt võimsamaid mootoreid, kui seda suudaks mikrokontroller otse oma väljundviikudega.
Kombomooduli abil on võimalik juhtida järgmisi mootoreid:
ühendada järgmisi andureid:
Kasutada järgmisi kommunikatsiooniliideseid:
Standardlahendusena on Kombomoodulile paigaldatud Bluetooth BTBee Pro juhtmevaba side moodul.
Kombomooduli pistikud on jagatud kolme suuremasse gruppi. Andurite ühenduspistikud on mooduli paremal küljel, mootorite ühenduspistikud mooduli vasakul küljel ja kommunikatsiooniliideste pistikud mooduli peal paremas ülaservas. Mootorite pistikud on omakorda jagatud veel kolme gruppi, milleks on alalisvoolumootorite pistikud, servomootori pistikud ja samm-mootori pistik. Alalisvoolu- ja samm-mootori toited tulevad kontrolleriplaadi toitepistikust (vajab välist toiteallikat), servomootori toide tuleb samuti Kontrollerplaadi toitepistikust, kuid on reguleeritud pingeregulaatori abil 5 V tasemel. Servomootori pistik on omakorda multifunktsionaalne, kuhu saab soovi korral ühendada ka koodri sisendi, mis on tihti kasutusel koos alalisvoolumootoriga või teisi andureid. Iga pistiku viik on ühendatud kontrolleri mingisse kindlasse porti, toitesse või maa ühendusse. Alljärgnevad skeemid illustreerivad, konkreetse pistikute grupi viikude asetust ja ühendusi Kontrollermooduliga.
Andurite pistikute grupp
Kombomoodulile saab ühendada kuni 11 analoogsignaali väljastavat andurit. Andurite sisendid on jaotatud anduri pistiku vasakusse ossa, kus igale andurile on eraldi maa, +3,3 V toite ja signaali viik. Maa ühendus on alumine.
Kombomooduliga saab ühendada kuni 8 digitaalse väljundiga andurit. Digitaalsed sisendid on jaotatud sisendpistiku paremasse otsa.
Lisaks on võimalik Kombomooduli toitepinget mõõta. Selleks tuleb sillata Kombomoodulil asuv sildühendus (inglise keeles jumper) VBat. ADC0 viik on sellisel juhul ühendatud plaadil oleva pingejaguriga. Seda võimalust võib näiteks kasutada roboti akupinge monitoorimiseks sõidu ajal.
| Takisti | Väärtus |
|---|---|
| Ülemine | 6.8k |
| Alumine | 1k |
Kooder jagab viike Servo väljundiga, et oleks võimalik kasutada, kas nelja servomootorit või saada tagasisidet neljalt koodrilt või jagada pistik pooleks. Kooder ühendatakse Servo - Encoder pistikusse.
| AVR viik | Signaal |
|---|---|
| PC4(INT0C) | Kooder |
| PC5(INT1C) | Kooder |
| PD0(INT0D) | Kooder |
| PD1(INT1D) | Kooder |
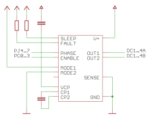
Alalisvoolumootorid ühendatakse DC viikude gruppi. Iga paar suudab hakkama saada ühe mootoriga - kokku 4 alalisvoolumootorit. Mootorite juhtimiseks kasutatakse DRV8801 H-silda. Mootoreid on võimalik asendada ka mõne muu seadmega, mida on võimalik digitaalselt juhtida ning mille poolt tarbitav vool ei ületa 1,5 A ja pinge 16 V (piesogeneraator, relee vms).
| AVR viik | Signaal | AVR\ viik | Signaal |
|---|---|---|---|
| PC0(OCC0A) | Mootor\ 1A | PJ4 | Mootor\ 1B |
| PC1(OCC0B) | Mootor 2A | PJ5 | Mootor 2B |
| PC2(OCC0C) | Mootor 3A | PJ6 | Mootor 3B |
| PC3(OCC0D) | Mootor 4A | PJ7 | Mootor 4B |
Samm-mootorid jagatakse üldjuhul kaheks: unipolaarsed- ja bipolaarsed samm-mootorid. Unipolaarse samm-mootori saab ühendada viikude gruppi Unipolar Stepper, kus toitekaabel peab olema ühendatud Vbat viiku. Ülejäänud 4 viiku on samm-mootori mähiste juhtviigud. Bipolaarset samm-mootorit saab juhtida alalisvoolumootori viikudega, kus ühe bipolaar samm-mootori jaoks on vaja kahe alalisvoolumootori juhtviike.
| AVR viik | Signaal |
|---|---|
| PJ0 | Mähis 1A |
| PJ1 | Mähis 2A |
| PJ2 | Mähis 1B |
| PJ3 | Mähis 2B |
Servomootorid ühendatakse Servo - Encoder viikudesse. Maa kaabel (tavaliselt must või pruun) ühendatakse GND viiguga (alumine viik). Korraga on võimalik kasutada nelja servomootorit. Signaali viigud on ühendatud otse mikrokontrolleri taimeri väljunditega.
| AVR viik | Signaal |
|---|---|
| PC4(OCC1A) | PWM |
| PC5(OCC1B) | PWM |
| PD0(OCD0A) | PWM |
| PD1(OCD0B) | PWM |
Kombomooduliga on võimalik ühendada väliseid UART või SPI seadmeid.
Kombomoodulile on võimalik paigaldada üks järgnevatest moodulitest:
Kõik loetletud moodulid suhtlevad mikrokontrolleriga üle UART liidese. Vaikimisi on Kombomoodulile paigaldatud bluetooth moodul BluetoothBee Pro.
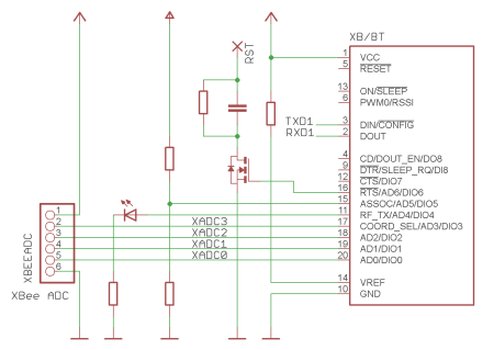
Kombomoodulil on ühendused juhtmevaba mooduli 4 sisend-väljundviigu jaoks, lisaks on XBee DIO4 viiguga ühendatud test LED ning XBee viiku AD5 on ühendatud pingejagur toitepinge mõõtmiseks üle XBee raadiovõrgu.
BluetoothBee Pro moodul
| Juhtmevaba mooduli viik | Signaal | Pesa |
|---|---|---|
| 20(MODE) | MODE | XBEEADC0 |
| 19(STATUS) | STATUS | XBEEADC1 |
| 17(A_RST) | XADC3 | XBEEADC3 |
XBee moodul
| Juhtmevaba mooduli viik | Signaal | Pesa |
|---|---|---|
| 20(AD0/DIO0) | XADC0 | XBEEADC0 |
| 19(AD1/DIO1) | XADC1 | XBEEADC1 |
| 18(AD2/DIO2) | XADC2 | XBEEADC2 |
| 17(AD3/DIO3) | XADC3 | XBEEADC3 |
| 11(RF_TX/AD4/DIO4) | DIO4 | test LED (kollane) |
| 15(ASSOC/AD5/DIO5) | PWR | Ühendatud roboti toitega |
| 16(RTS/AD6/DIO6) | RST | Reset viik Kontrollermoodulil |